随着13GHz和16GHz型号的发布,作为市场上最紧凑的多用途高性能示波器产品, R&S RTP系列示波器现已覆盖从4GHz到16GHz带宽。R&S RTP系列示波器还进一步提升了其强大的调试分析能力,推出高达16Gbps基于硬件时钟恢复的高速串行码型触发、DDR4信号完整性和一致性测试套件以及用于分析信号路径的TDR/TDT分析功能。
2019年9月10日,慕尼黑—— 罗德与施瓦茨公司扩展了R&S RTP高性能示波器平台的带宽和调试分析能力。在推出13GHz和16GHz型号的同时,R&S RTP系列示波器将全系列选件升级支持16GHz带宽。
全新R&S RTP系列示波器不仅支持原有RTP平台的高波形捕获率、快速信号处理分析以及实时去嵌分析能力,还将业内的数字触发带宽进一步提升至16GHz,从而实现对超窄偶发异常信号的高精度检测。R&S RTP系列示波器的数字触发系统可以实现对实时去嵌后的信号进行高精度触发,同时提供包括脉宽、建立/保持时间、矮脉冲等触发类型的全带宽触发支持。
全新基于硬件的实时信号处理模块在支持实时去嵌的同时,还可实现对任意两路输入信号的加、减、反相和共模运算后的信号采集和触发分析,是调试分析高速差分信号的理想之选。
通过串行码型触发选件R&S RTP-K140/K141,R&S RTP用户可利用硬件时钟恢复获得嵌入时钟来作为触发参考,实现高达16Gbps的高速串行信号触发和分析,支持的码型长度可达160bit,同时支持8b/10b或128b/132b编码。用户可在短短几秒内快速获得基于嵌入时钟的眼图模板和统计直方图测试,实现信号完整性分析。
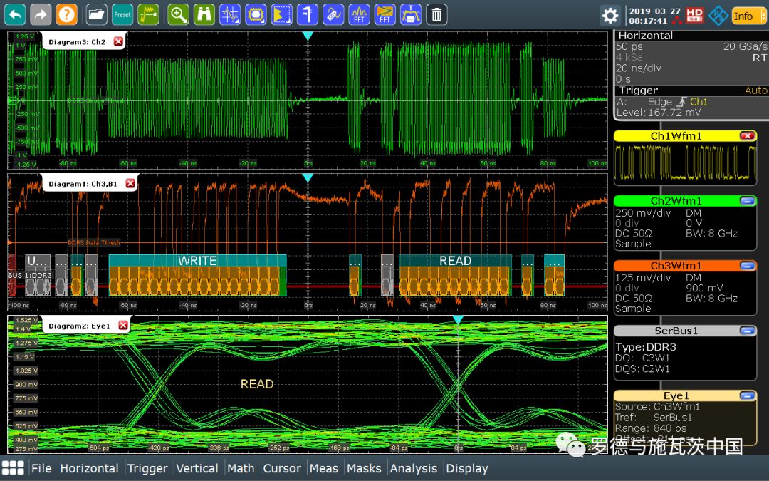
通过全新发布的R&S RTP-K93选件,R&S RTP支持DDR4, DDR4L和LPDDR4的信号完整性和一致性测试分析,提供对读写信号的解码、四路DDR眼图测试和自动化物理层一致性测试。
R&S RTP-K11 I/Q模式选件可以实现将调制信号进行I/Q分离,从而节省采集存储扩大最大采集时间。该选件配合R&S VSE矢量信号分析软件,成为宽带雷达信号或包括5G NR在内无线通信信号深入分析的理想工具。采集生成的I/Q数据也可支持其他外部分析工具进行用户自定义信号分析。
R&S RTP高性能示波器平台还提供完善的TDR/TDT分析功能,用于表征和调试包括PCB、电缆和连接器在内的信号传输路径。全新R&S RTP-K130 TDR/TDT分析选件配合由R&S RTP-B7选件脉冲源产生的快沿差分脉冲,可以实现单端和差分信号路径的TDR/TDT分析。用户友好的软件界面可以指导用户轻松完成设置、校准和测量。
r&s rt-zm模块化探头家族提供可更换探接前端设计、支持单端、差模和共模测试转换并具备优异的rf性能。伴随rtp主机带宽的提升,r&s公司推出了支持13ghz带宽的rt-zm130和16ghz带宽的rt-zm160探头放大器。<br>r&s rtp高性能示波器平台帮助电子开发人员应对汽车电子、航空航天和国防、消费电子和通信等各类应用测试挑战。从简单的i2c、spi控制和编程总线,到高速总线和接口(如u\pci express\mipi\ddr等)、多通道rf分析(无线电和雷达)、复杂的电源管理单元测试,r&s rtp是嵌入式系统调试的理想选择。r&s rtp系列示波器也是市场上支持实时传输损耗补偿的示波器,并且在信号补偿的情况下依然保持快的波形捕获和测试分析能力。

r&s rtp系列高性能示波器采用了紧凑式设计,比市场同类产品桌面占用面积减少40。同时由于采用了特殊的冷却和静音风扇设计,为用户提供了安静的操作体验。<br>r&s rtp系列高性能示波器已全新上市,提供4ghz、6ghz、8ghz、13ghz和16ghz五种带宽选择。