WT5000具有无与伦比的精确度和模块化的构架,让工程师们能够兼顾精度与灵活性进行创新,并充满自信地将概念快速转化为产品,走向市场。
-
可靠性 – WT5000能够保证±0.03%以内的精确度、高达500次的谐波比较、用户自定义运 算、可信赖的多通道测量。
-
通用性 – WT5000有7个插槽,用户可更换功 率单元,还提供多样化选择,便于用户根据应用和需求变化扩展和更改配置。此外,还可同时测量4台电机的速度和扭矩。
-
简易性 – 全触屏体验,辅以硬件按键及功能强 大的远程测量软件,连接、配置和测量功率变得空前简单。
2020年3月6日,横河继续发力,为WT5000发布新功能:波形数据流输出(Data Streaming)功能选件和IEC谐波/闪变测量功能选件。
无与伦比的精确度
WT5000作为世界上精度最高的精度功率分析仪,确保基本精度为±0.03%,且在选定电压和电流量程的1%~130%范围都能够保证精度。 WT5000最小化了低功率因数的影响(视在功率的0.02%),也能精确测量较大的相移与频率。
-
交流功率精度:读数的0.01%+量程的0.02%
-
直流功率精度:读数的0.02%+量程的0.05%
-
10 MS/s 18 bit ADC
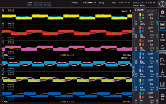
多通道测量
测量支持多达7个不同的功率相,采样速率达到10MS/s(18bit)。 10.1英寸的WXGA显示器具有高分辨率,允许多达7组的分屏波形显示,能显示多至12页测量参数,是效率测试的理想之选,适用于变频器驱动的电机、可再生能源技术以及诸如泵、风扇和电动车辆之类的牵引测量。测量数据还会即时以矢量格式或趋势图显示。

直观的操作
WT5000支持独立的触屏和硬件按键操作,流畅直观的体验让连接、配置和测量比以往更简单。 10.1英寸的WXGA触屏即使在电机和变频器等高噪音环境中依然保持优秀的抗干扰能力。
高级滤波
除了低通频率滤波器和线路滤波器, WT5000还具备高级滤波功能,提供前所未有的控制来精确分析最复杂的波形。
-
同步源滤波器:与过零点同步方式不同,用户可以选择同步源信号的任意点。
-
增强的频率滤波器:允许用户同时测量基波和开关频率,而不会影响其他参数。
-
数字并行滤波器:一个高频抗混叠滤波器和两个独立的线路滤波器协力确保正常测量和谐波测量的精确度,并且不会导致宽带和谐波测量混叠。用户能够限制谐波次数,消除低带宽测量的衰减。
先进的谐波分析
评估和对比变频器、电机或功率调节器高达500次的输入输出谐波。 WT5000让用户不仅能同时测量谐波和功率,还能对比来自两个不同输入源的谐波。
由于采用了具备数字并行通路技术的抗混叠功能和线路滤波器,可以同时对宽频成分和窄频成分进行功率分析,所以最大程度地降低了噪音和混叠的影响。
用户自定义的触发和运算
根据应用需求定义和使用事件触发及自定义运算。事件触发功能允许用户设置限值,捕获特定功率、电流或其他参数限值内或限值外的读数。用户还可以定义和使用多达20条不同的表达式,进行自定义运算。满足触发条件的数据可被存储、打印或另存到USB存储设备。